省招生代码:9800195
市招生代码:00438
收藏本站
|
设为首页
|
移动端
|
全站搜索
政府补助 减免学费 全国招生 择优录取
招生热线:4008-313-855
首页
学校简介
校园图册
教学管理
学生管理
招生专栏
联系我们
学生管理
学生活动
心理健康
励学助学
学生作品
党团建设
安全保卫
学生管理制度
当前位置:
网站首页
>
学生管理
>
励学助学
>
关于我校广州市家庭经济困难优秀学生奖学金认
时间:
2023-05-19 14:35:27
关于我校广州市家庭经济困难优秀学生奖学金认定工作实施办法通知
为鼓励广州市家庭困难学生刻苦学习,扶助家庭经济困难优秀中学生完成高中阶段学业,广州市教育基金会特设立高中阶段经济困难优秀学生奖励专项基金并制定本办法。我校根据广州市人力资源与社会保障局的政策要求,结合我校实际情况,指定符合我校开展的认定方案。
(一)申报条件
申请人必须同时具备以下四个条件,方可申请。
1、具有广州市常住户口(含蓝印户口)
2、家庭经济困难,并持有下列“家庭特困证”之一。《广州市城镇居民最低生活保障证》、《广州市农村村民最低生活保障证》、《广州市城镇低收入困难家庭证》、《广州市农村低收入困难家庭证》、《五保供养证》和市总工会印制的《广州市工会特困职工证》。
3、在前一学年被评为校级以上“三好学生”、“优秀学生干部”或“优秀共青团员”。
4、学习成绩优秀
(二)奖励名额和标准
按我校现阶段比例分配名额为1名,奖励金额为每生每学年1000元。
(三)申请与审批程序
1、由申请人填写“广州市高中阶段家庭经济困难优秀学生奖学金申请表”(以下简称“申请表”),并将填写好的申请表,送户籍所在地居民委员会或村民委员会加具意见,连同有效的家庭特困证及复印件交学校审核。
2、学校审核后,对符合申报要求的学生在校内进行公示,公示时间为三个工作日。
3、学校将公示后没有异议的学生名单报所属的教育局(或人社局)进行审核。。
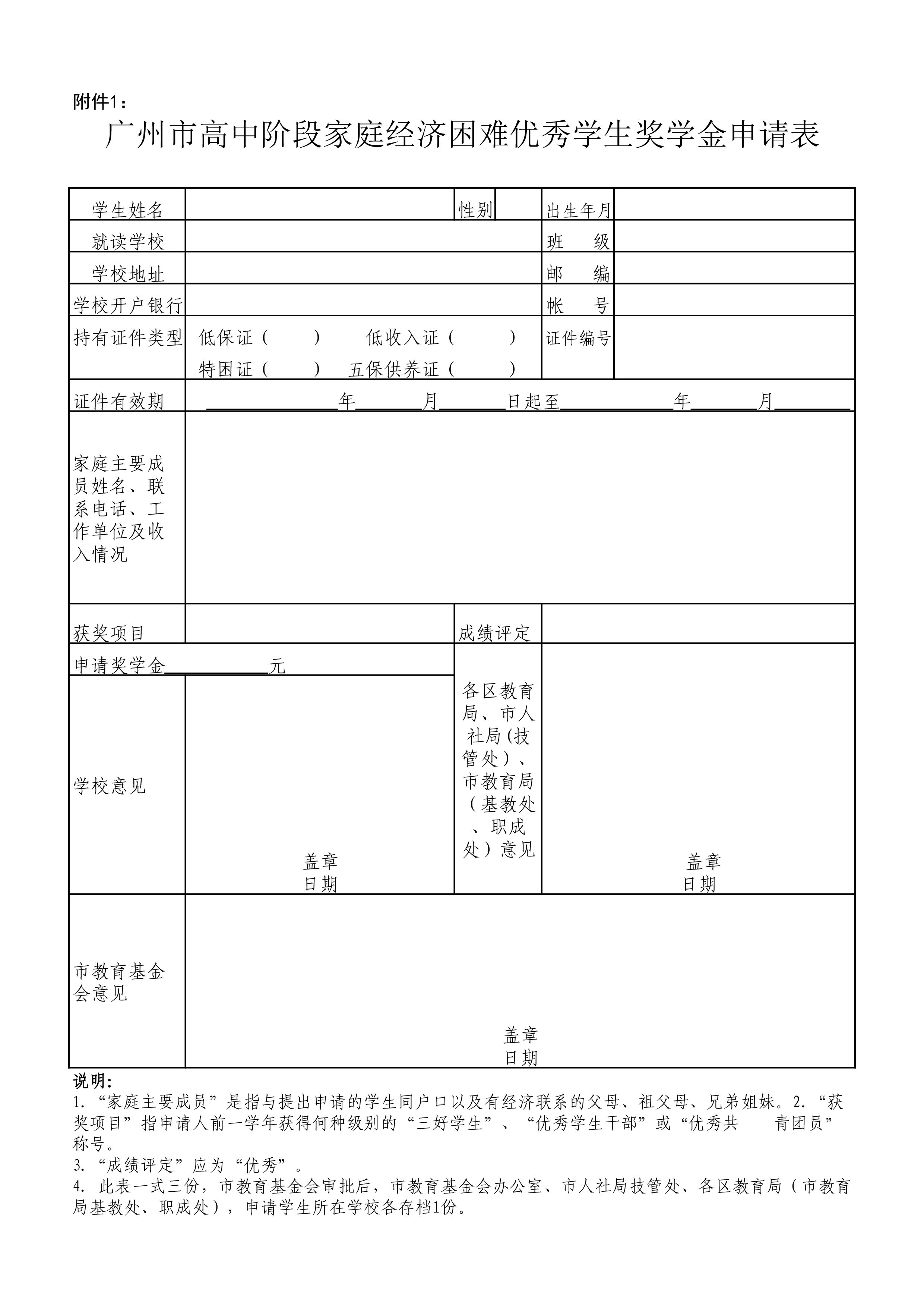
(四)广州市高中阶段家庭经济困难优秀学生奖学金申请表(附件1)
(五)广州市高中阶段家庭经济困难优秀学生情况汇总表(附件2)
上一篇:
关于我校家庭经济困难家庭学生认定工作实施办
下一篇:
22-23学年中等职业教育国家奖学金获奖学生名单
x